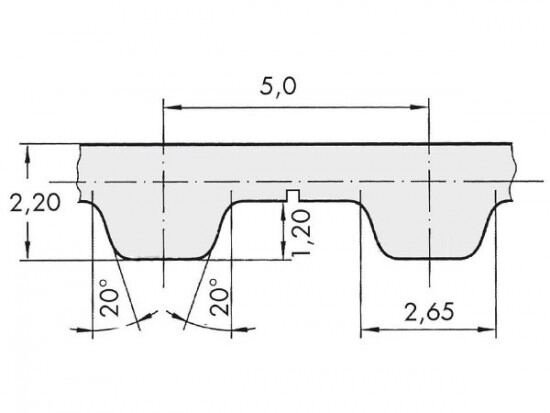
Řemen ozubený 16 T5 / 3400 AFX optibelt ALPHA FLEX

Řemen ozubený 16 T5 / 3400 AFX optibelt ALPHA FLEX

Kód produktu: 
4014486022810
Dostupnost:
Na dotaz
3 770 Kč
3 116 Kč bez DPH