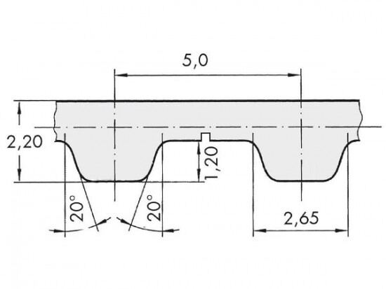
Řemen ozubený 16 T5 / 2800 AFX optibelt ALPHA FLEX

Řemen ozubený 16 T5 / 2800 AFX optibelt ALPHA FLEX

Kód produktu: 
4014486022575
Dostupnost:
Na dotaz
3 172 Kč
2 622 Kč bez DPH