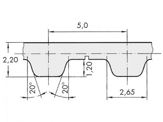
Řemen ozubený 16 T5 / 2600 AFX optibelt ALPHA FLEX

Řemen ozubený 16 T5 / 2600 AFX optibelt ALPHA FLEX

Kód produktu: 
4014486022452
Dostupnost:
Na dotaz
2 919 Kč
2 412 Kč bez DPH