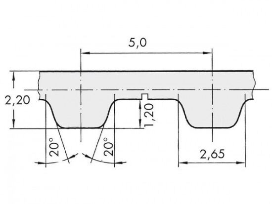
Řemen ozubený 16 T5 / 2400 AFX optibelt ALPHA FLEX

Řemen ozubený 16 T5 / 2400 AFX optibelt ALPHA FLEX

Kód produktu: 
4014486022339
Dostupnost:
Na dotaz
2 689 Kč
2 222 Kč bez DPH