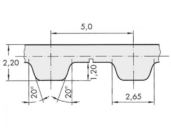
Řemen ozubený 16 T5 / 2300 AFX optibelt ALPHA FLEX

Řemen ozubený 16 T5 / 2300 AFX optibelt ALPHA FLEX

Kód produktu: 
4014486022278
Dostupnost:
Na dotaz
2 598 Kč
2 147 Kč bez DPH