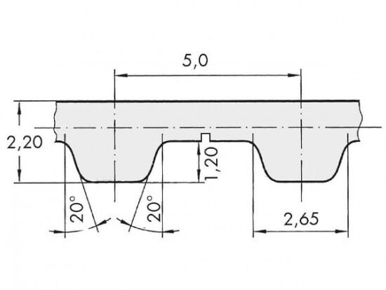
Řemen ozubený 16 T5 / 2200 AFX optibelt ALPHA FLEX

Řemen ozubený 16 T5 / 2200 AFX optibelt ALPHA FLEX

Kód produktu: 
4014486022216
Dostupnost:
Na dotaz
2 553 Kč
2 110 Kč bez DPH