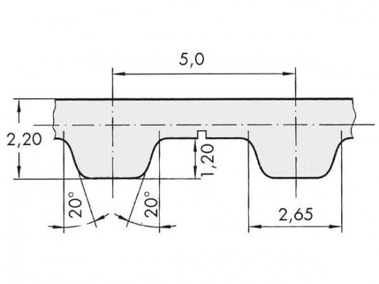
Řemen ozubený 16 T5 / 1900 AFX optibelt ALPHA FLEX

Řemen ozubený 16 T5 / 1900 AFX optibelt ALPHA FLEX

Kód produktu: 
4014486022032
Dostupnost:
Na dotaz
2 171 Kč
1 795 Kč bez DPH