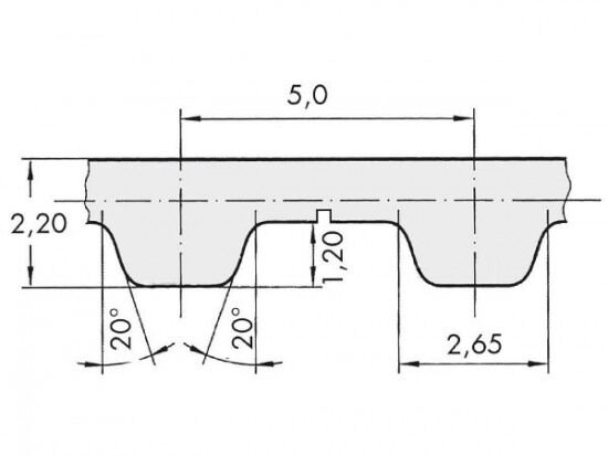
Řemen ozubený 16 T5 / 1500 AFX optibelt ALPHA FLEX

Řemen ozubený 16 T5 / 1500 AFX optibelt ALPHA FLEX

Kód produktu: 
4014486021790
Dostupnost:
Na dotaz
1 896 Kč
1 567 Kč bez DPH