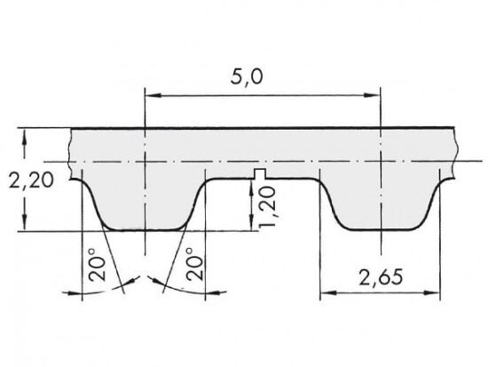
Řemen ozubený 16 T5 / 1400 AFX optibelt ALPHA FLEX

Řemen ozubený 16 T5 / 1400 AFX optibelt ALPHA FLEX

Kód produktu: 
4014486832877
Dostupnost:
Na dotaz
1 817 Kč
1 501 Kč bez DPH