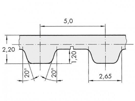
Řemen ozubený 16 T5 / 1300 AFX optibelt ALPHA FLEX

Řemen ozubený 16 T5 / 1300 AFX optibelt ALPHA FLEX

Kód produktu: 
4014486832815
Dostupnost:
Na dotaz
1 779 Kč
1 470 Kč bez DPH