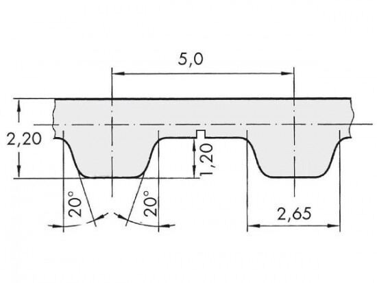
Řemen ozubený 16 T5 / 12000 AFX optibelt ALPHA FLEX

Řemen ozubený 16 T5 / 12000 AFX optibelt ALPHA FLEX

Kód produktu: 
4044978610720
Dostupnost:
Na dotaz
13 307 Kč
10 998 Kč bez DPH