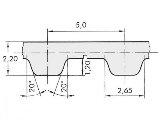
Řemen ozubený 16 T5 / 11800 AFX optibelt ALPHA FLEX

Řemen ozubený 16 T5 / 11800 AFX optibelt ALPHA FLEX

Kód produktu: 
4044978615336
Dostupnost:
Na dotaz
13 055 Kč
10 789 Kč bez DPH