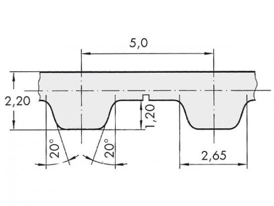
Řemen ozubený 16 T5 / 11400 AFX optibelt ALPHA FLEX

Řemen ozubený 16 T5 / 11400 AFX optibelt ALPHA FLEX

Kód produktu: 
4044978604262
Dostupnost:
Na dotaz
12 642 Kč
10 448 Kč bez DPH