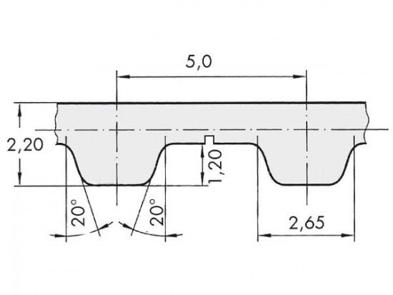
Řemen ozubený 16 T5 / 11000 AFX optibelt ALPHA FLEX

Řemen ozubený 16 T5 / 11000 AFX optibelt ALPHA FLEX

Kód produktu: 
4044978618764
Dostupnost:
Na dotaz
12 206 Kč
10 087 Kč bez DPH