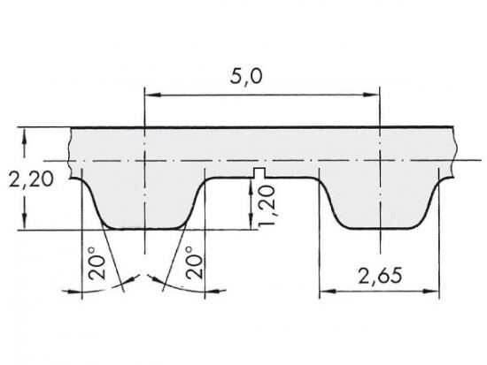
Řemen ozubený 16 T5 / 1100 AFX optibelt ALPHA FLEX

Řemen ozubený 16 T5 / 1100 AFX optibelt ALPHA FLEX

Kód produktu: 
4014486832693
Dostupnost:
Na dotaz
1 660 Kč
1 372 Kč bez DPH