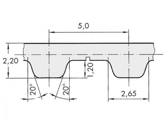
Řemen ozubený 16 T5 / 10400 AFX optibelt ALPHA FLEX

Řemen ozubený 16 T5 / 10400 AFX optibelt ALPHA FLEX

Kód produktu: 
4044978614681
Dostupnost:
Na dotaz
11 538 Kč
9 536 Kč bez DPH