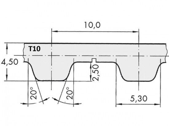
Řemen ozubený 16 T10 / 9600 AFX optibelt ALPHA FLEX

Řemen ozubený 16 T10 / 9600 AFX optibelt ALPHA FLEX

Kód produktu: 
4044978618115
Dostupnost:
Na dotaz
11 883 Kč
9 821 Kč bez DPH