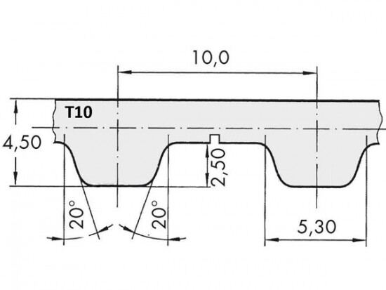
Řemen ozubený 16 T10 / 8000 AFX optibelt ALPHA FLEX

Řemen ozubený 16 T10 / 8000 AFX optibelt ALPHA FLEX

Kód produktu: 
4044978618887
Dostupnost:
Na dotaz
9 974 Kč
8 243 Kč bez DPH