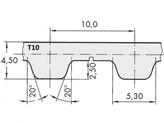
Řemen ozubený 16 T10 / 7800 AFX optibelt ALPHA FLEX

Řemen ozubený 16 T10 / 7800 AFX optibelt ALPHA FLEX

Kód produktu: 
4044978615084
Dostupnost:
Na dotaz
9 723 Kč
8 036 Kč bez DPH