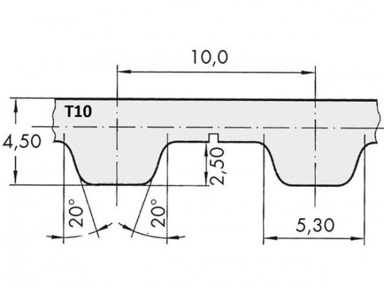
Řemen ozubený 16 T10 / 7200 AFX optibelt ALPHA FLEX

Řemen ozubený 16 T10 / 7200 AFX optibelt ALPHA FLEX

Kód produktu: 
4044978609960
Dostupnost:
Na dotaz
8 965 Kč
7 409 Kč bez DPH