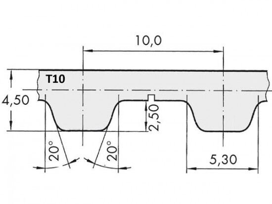
Řemen ozubený 16 T10 / 6400 AFX optibelt ALPHA FLEX

Řemen ozubený 16 T10 / 6400 AFX optibelt ALPHA FLEX

Kód produktu: 
4044978590923
Dostupnost:
Na dotaz
8 044 Kč
6 648 Kč bez DPH