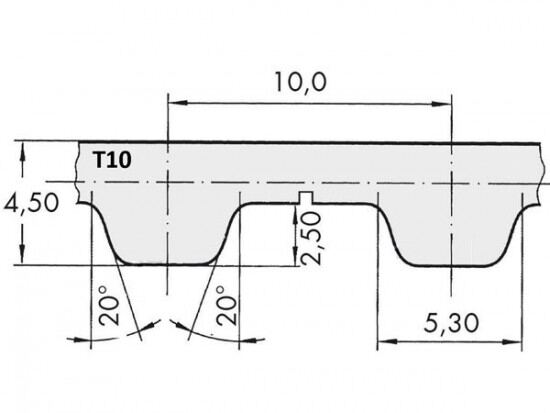
Řemen ozubený 16 T10 / 6200 AFX optibelt ALPHA FLEX

Řemen ozubený 16 T10 / 6200 AFX optibelt ALPHA FLEX

Kód produktu: 
4044978597168
Dostupnost:
Na dotaz
7 815 Kč
6 459 Kč bez DPH