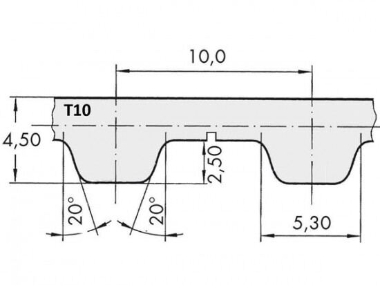
Řemen ozubený 16 T10 / 6000 AFX optibelt ALPHA FLEX

Řemen ozubený 16 T10 / 6000 AFX optibelt ALPHA FLEX

Kód produktu: 
4044978589019
Dostupnost:
Na dotaz
7 561 Kč
6 249 Kč bez DPH