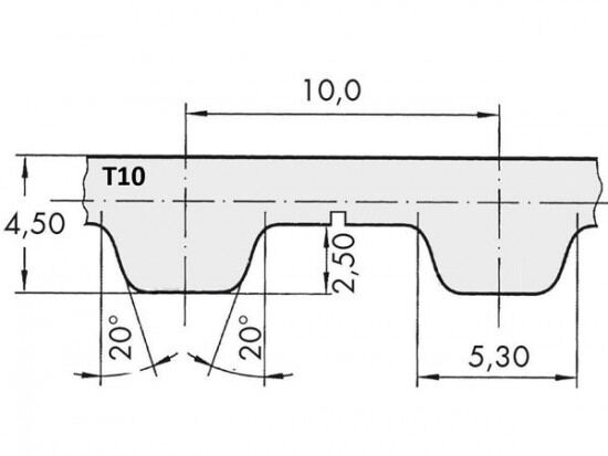
Řemen ozubený 16 T10 / 5200 AFX optibelt ALPHA FLEX

Řemen ozubený 16 T10 / 5200 AFX optibelt ALPHA FLEX

Kód produktu: 
4044978595935
Dostupnost:
Na dotaz
6 596 Kč
5 451 Kč bez DPH