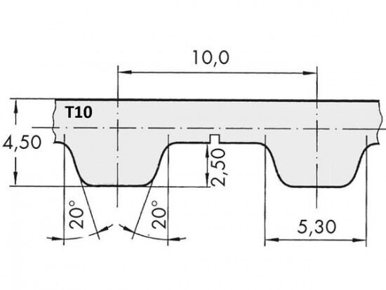
Řemen ozubený 16 T10 / 4400 AFX optibelt ALPHA FLEX

Řemen ozubený 16 T10 / 4400 AFX optibelt ALPHA FLEX

Kód produktu: 
4044978587596
Dostupnost:
Na dotaz
5 655 Kč
4 674 Kč bez DPH