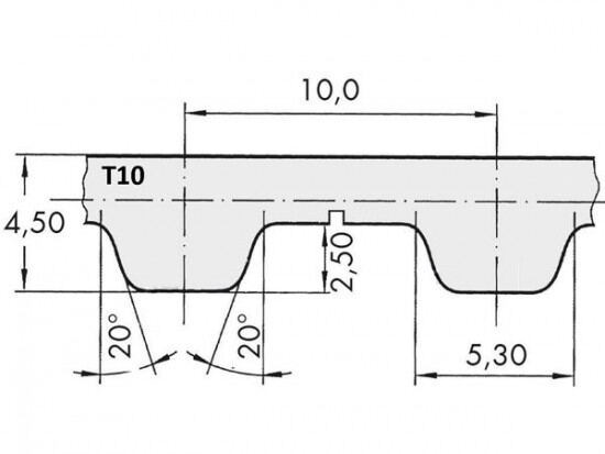
Řemen ozubený 16 T10 / 4200 AFX optibelt ALPHA FLEX

Řemen ozubený 16 T10 / 4200 AFX optibelt ALPHA FLEX

Kód produktu: 
4014486089820
Dostupnost:
Na dotaz
5 424 Kč
4 483 Kč bez DPH