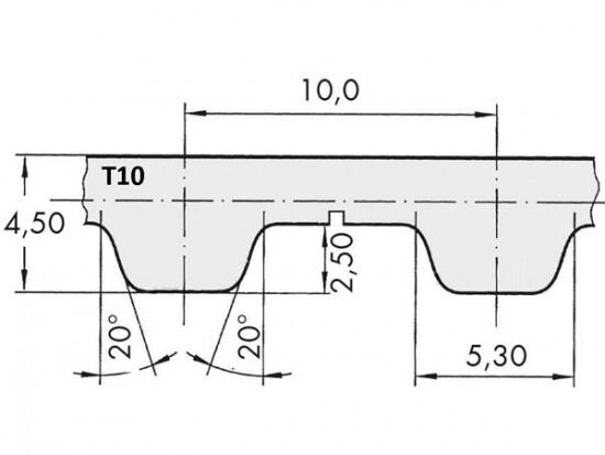
Řemen ozubený 16 T10 / 3800 AFX optibelt ALPHA FLEX

Řemen ozubený 16 T10 / 3800 AFX optibelt ALPHA FLEX

Kód produktu: 
4044978590350
Dostupnost:
Na dotaz
4 965 Kč
4 103 Kč bez DPH