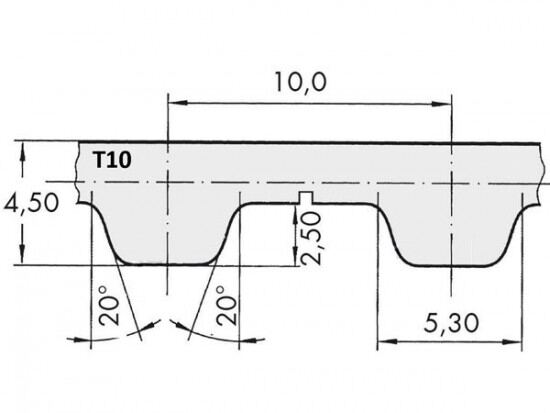
Řemen ozubený 16 T10 / 3400 AFX optibelt ALPHA FLEX

Řemen ozubený 16 T10 / 3400 AFX optibelt ALPHA FLEX

Kód produktu: 
4044978587572
Dostupnost:
Na dotaz
4 184 Kč
3 458 Kč bez DPH