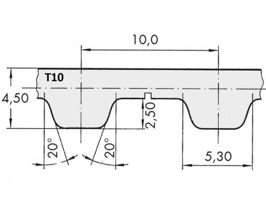
Řemen ozubený 16 T10 / 3200 AFX optibelt ALPHA FLEX

Řemen ozubený 16 T10 / 3200 AFX optibelt ALPHA FLEX

Kód produktu: 
4014486089523
Dostupnost:
Na dotaz
3 930 Kč
3 248 Kč bez DPH