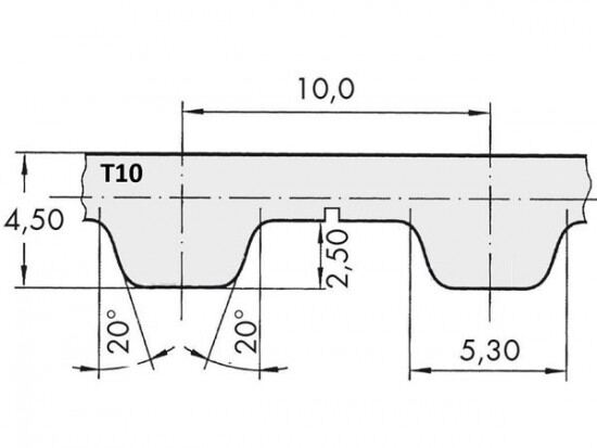
Řemen ozubený 16 T10 / 2700 AFX optibelt ALPHA FLEX

Řemen ozubený 16 T10 / 2700 AFX optibelt ALPHA FLEX

Kód produktu: 
4014486089288
Dostupnost:
Na dotaz
3 378 Kč
2 791 Kč bez DPH