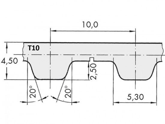
Řemen ozubený 16 T10 / 1800 AFX optibelt ALPHA FLEX

Řemen ozubený 16 T10 / 1800 AFX optibelt ALPHA FLEX

Kód produktu: 
4044978591470
Dostupnost:
Na dotaz
2 310 Kč
1 909 Kč bez DPH