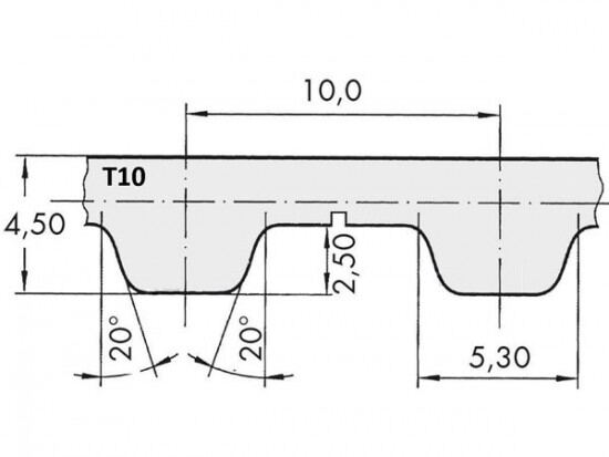
Řemen ozubený 16 T10 / 1600 AFX optibelt ALPHA FLEX

Řemen ozubený 16 T10 / 1600 AFX optibelt ALPHA FLEX

Kód produktu: 
4044978587046
Dostupnost:
Na dotaz
2 129 Kč
1 759 Kč bez DPH