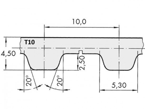
Řemen ozubený 16 T10 / 1500 AFX optibelt ALPHA FLEX

Řemen ozubený 16 T10 / 1500 AFX optibelt ALPHA FLEX

Kód produktu: 
4014486087703
Dostupnost:
Na dotaz
2 052 Kč
1 696 Kč bez DPH