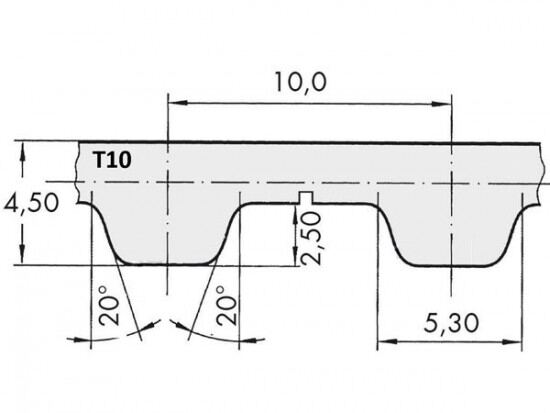
Řemen ozubený 16 T10 / 1400 AFX optibelt ALPHA FLEX

Řemen ozubený 16 T10 / 1400 AFX optibelt ALPHA FLEX

Kód produktu: 
4014486833348
Dostupnost:
Na dotaz
2 004 Kč
1 656 Kč bez DPH