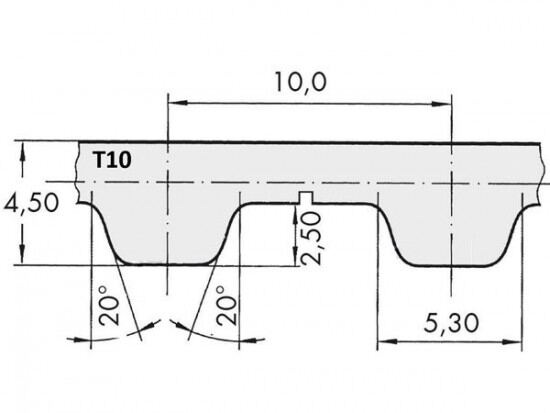
Řemen ozubený 16 T10 / 1300 AFX optibelt ALPHA FLEX

Řemen ozubený 16 T10 / 1300 AFX optibelt ALPHA FLEX

Kód produktu: 
4014486833287
Dostupnost:
Na dotaz
1 963 Kč
1 622 Kč bez DPH