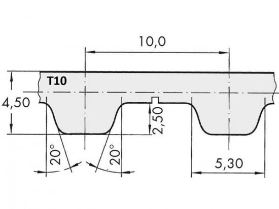
Řemen ozubený 16 T10 / 12000 AFX optibelt ALPHA FLEX

Řemen ozubený 16 T10 / 12000 AFX optibelt ALPHA FLEX

Kód produktu: 
4044978605405
Dostupnost:
Na dotaz
14 754 Kč
12 194 Kč bez DPH