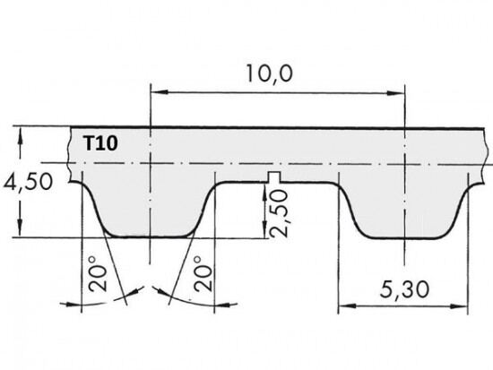
Řemen ozubený 16 T10 / 11000 AFX optibelt ALPHA FLEX

Řemen ozubený 16 T10 / 11000 AFX optibelt ALPHA FLEX

Kód produktu: 
4044978606921
Dostupnost:
Na dotaz
13 560 Kč
11 206 Kč bez DPH