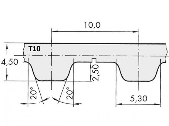
Řemen ozubený 16 T10 / 10200 AFX optibelt ALPHA FLEX

Řemen ozubený 16 T10 / 10200 AFX optibelt ALPHA FLEX

Kód produktu: 
4044978609687
Dostupnost:
Na dotaz
12 619 Kč
10 429 Kč bez DPH