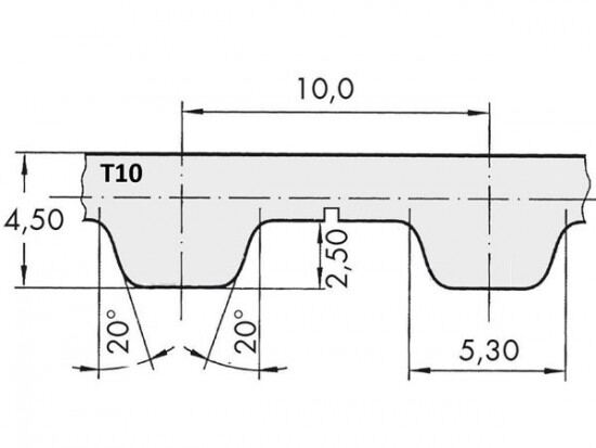
Řemen ozubený 16 T10 / 10000 AFX optibelt ALPHA FLEX

Řemen ozubený 16 T10 / 10000 AFX optibelt ALPHA FLEX

Kód produktu: 
4014486448931
Dostupnost:
Na dotaz
12 365 Kč
10 219 Kč bez DPH