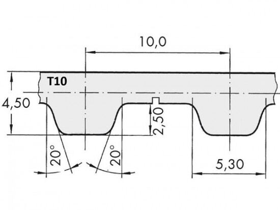
Řemen ozubený 150 T10 / 9600 AFX optibelt ALPHA FLEX

Řemen ozubený 150 T10 / 9600 AFX optibelt ALPHA FLEX

Kód produktu: 
4014486842586
Dostupnost:
Na dotaz
103 184 Kč
85 276 Kč bez DPH