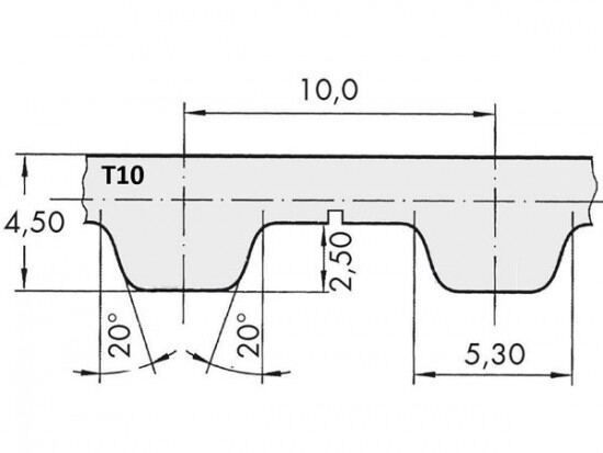
Řemen ozubený 150 T10 / 7200 AFX optibelt ALPHA FLEX

Řemen ozubený 150 T10 / 7200 AFX optibelt ALPHA FLEX

Kód produktu: 
4014486842463
Dostupnost:
Na dotaz
77 261 Kč
63 852 Kč bez DPH