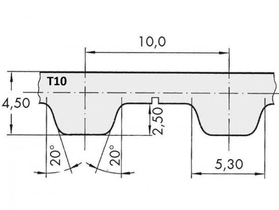
Řemen ozubený 150 T10 / 6600 AFX optibelt ALPHA FLEX

Řemen ozubený 150 T10 / 6600 AFX optibelt ALPHA FLEX

Kód produktu: 
4014486842432
Dostupnost:
Na dotaz
70 710 Kč
58 438 Kč bez DPH