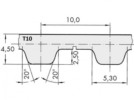
Řemen ozubený 150 T10 / 6400 AFX optibelt ALPHA FLEX

Řemen ozubený 150 T10 / 6400 AFX optibelt ALPHA FLEX

Kód produktu: 
4014486842425
Dostupnost:
Na dotaz
68 639 Kč
56 726 Kč bez DPH