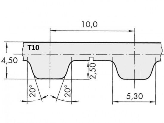
Řemen ozubený 150 T10 / 5600 AFX optibelt ALPHA FLEX

Řemen ozubený 150 T10 / 5600 AFX optibelt ALPHA FLEX

Kód produktu: 
4014486842388
Dostupnost:
Na dotaz
60 710 Kč
50 174 Kč bez DPH