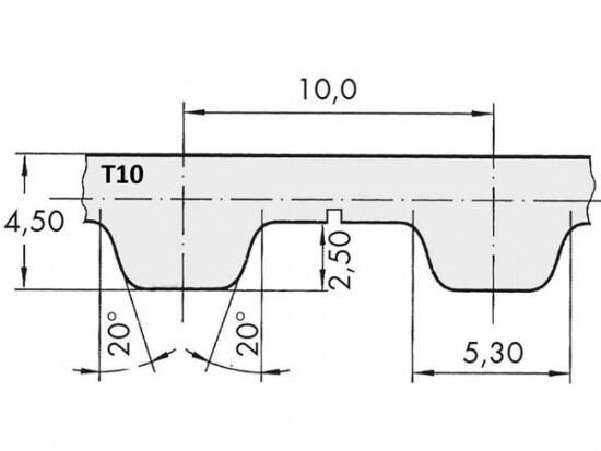
Řemen ozubený 150 T10 / 5400 AFX optibelt ALPHA FLEX

Řemen ozubený 150 T10 / 5400 AFX optibelt ALPHA FLEX

Kód produktu: 
4014486842371
Dostupnost:
Na dotaz
58 677 Kč
48 493 Kč bez DPH