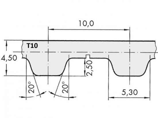
Řemen ozubený 150 T10 / 5000 AFX optibelt ALPHA FLEX

Řemen ozubený 150 T10 / 5000 AFX optibelt ALPHA FLEX

Kód produktu: 
4014486842357
Dostupnost:
Na dotaz
53 332 Kč
44 076 Kč bez DPH