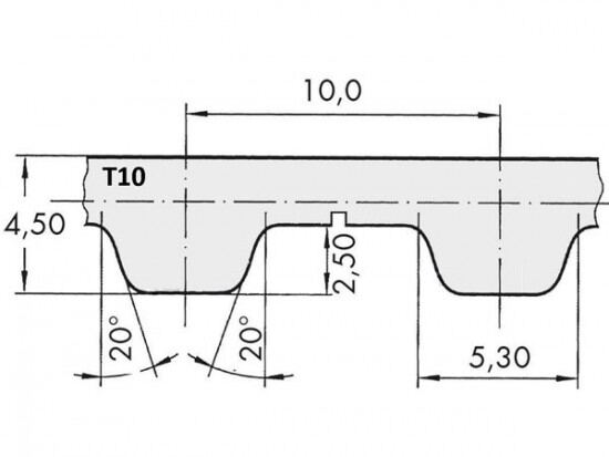
Řemen ozubený 150 T10 / 4800 AFX optibelt ALPHA FLEX

Řemen ozubený 150 T10 / 4800 AFX optibelt ALPHA FLEX

Kód produktu: 
4014486842340
Dostupnost:
Na dotaz
51 471 Kč
42 538 Kč bez DPH