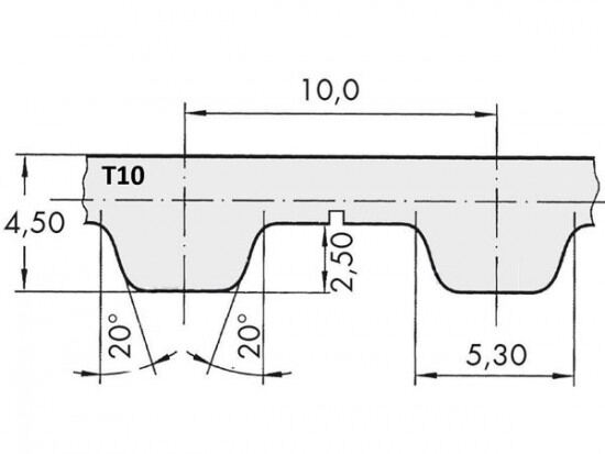
Řemen ozubený 150 T10 / 4600 AFX optibelt ALPHA FLEX

Řemen ozubený 150 T10 / 4600 AFX optibelt ALPHA FLEX

Kód produktu: 
4014486842333
Dostupnost:
Na dotaz
49 093 Kč
40 573 Kč bez DPH