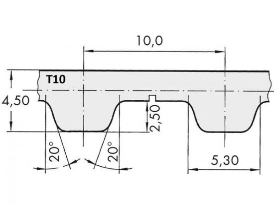
Řemen ozubený 150 T10 / 4400 AFX optibelt ALPHA FLEX

Řemen ozubený 150 T10 / 4400 AFX optibelt ALPHA FLEX

Kód produktu: 
4014486842326
Dostupnost:
Na dotaz
46 922 Kč
38 779 Kč bez DPH