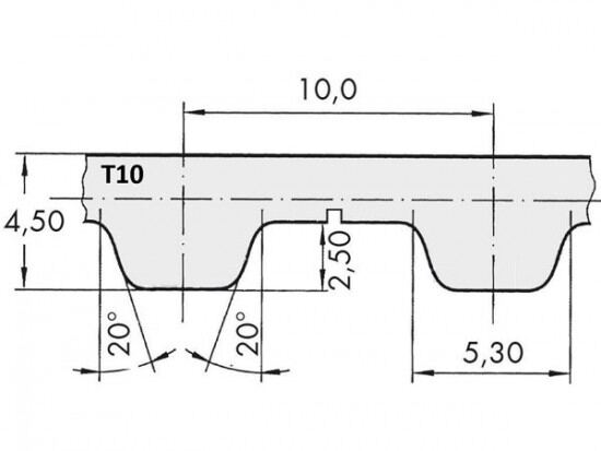
Řemen ozubený 150 T10 / 4200 AFX optibelt ALPHA FLEX

Řemen ozubený 150 T10 / 4200 AFX optibelt ALPHA FLEX

Kód produktu: 
4014486842319
Dostupnost:
Na dotaz
44 886 Kč
37 096 Kč bez DPH